Aquanet Столешница Nova Lite Loft 261853 (мрамор)
Арт. 805.036
столешница, подвесная установка, ширина: 86 см
Все описание
Онлайн
Консультация Эксперта
- Помощь в выборе: Поможем сделать выбор под Ваш бюджет и задачи.
- Технический аудит: подробно расскажем о нюансах.
- Гарантия эксперта: мы не просто продаем, а несем ответственность за выбор и дальнейшую эксплуатацию.
257,57 р.
в кредит от 12.77 р. в мес.
Доставка: Минск завтра
Доставка РБ: 2 дня
Гарантия 12–24 месяца
Официальный сервис Мастердом
Онлайн
Консультация Эксперта
- Помощь в выборе: Поможем сделать выбор под Ваш бюджет и задачи.
- Технический аудит: подробно расскажем о нюансах.
- Гарантия эксперта: мы не просто продаем, а несем ответственность за выбор и дальнейшую эксплуатацию.
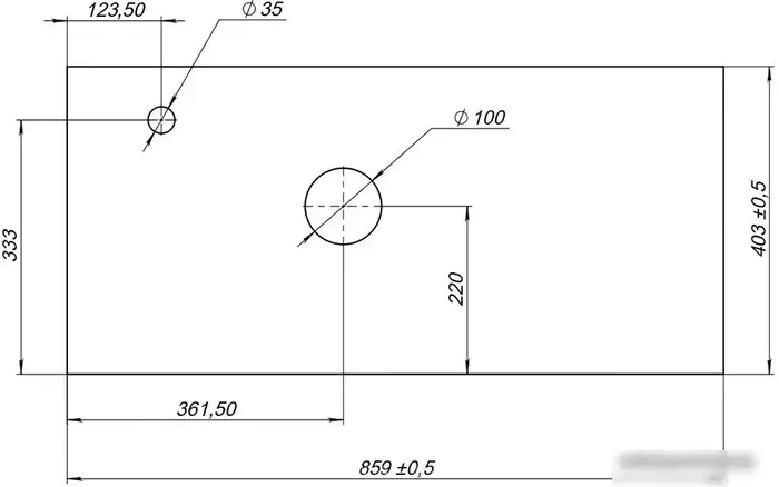
Столешница Aquanet Nova Lite Loft 261853 выполнена из искусственного камня, что обеспечивает ее долговечность и приятный внешний вид. Она имеет ширину 85.9 см и глубину 40.3 см, отлично подходя для установки в ванной комнате. Благодаря белому цвету, она легко сочетается с разной мебелью и интерьером. Эта модель устанавливается подвесной, что позволяет экономить пространство и облегчает уборку под ней. Угловая конструкция отсутствует, поэтому вы можете выбрать её для прямых фасадов. В комплект не входит умывальник, его нужно приобретать отдельно. Столешница не имеет встроенного умывальника, что дает возможность подобрать подходящее по стилю решение. Вы можете использовать ее для создания современного и аккуратного вида в вашей ванной. Материал и конструкция делают ее устойчивой к влаге и механическим повреждениям.
- Изготовлена из искусственного камня — устойчива к влаге и царапинам.
- Подвесная установка — экономит место и облегчает уборку.
- Белый цвет — легко сочетается с различной сантехникой и мебелью.
| Основные | |
| Тип | столешница |
| Материал | искусственный камень |
| Установка | подвесная |
| Ширина | 85.9 см |
| Цвет | белый |
| Конструкция | |
| Угловая конструкция | Нет |
| Умывальник в комплекте | Нет |
| Размеры и вес | |
| Глубина | 40.3 см |
Официальный импортер в РБ:
ООО «ДаблПро», г. Минск, ул. Маяковского, 24, пом.7.
Прямые поставки от производителя без посредников.
Прямые поставки от производителя без посредников.
Авторизованный сервисный центр:
г. Минск, ул. Маяковского, 24, пом.7 (собственная техническая база «Мастердом»).
Гарантийное и постгарантийное обслуживание любой сложности.
Подробнее о гарантии
Гарантийное и постгарантийное обслуживание любой сложности.
Подробнее о гарантии
Информация о доставке:
Бесплатная доставка по Минску (при заказе от 300 BYN). Оперативная доставка по всей Беларуси за 1–2 дня.
Подробнее о доставке
Подробнее о доставке
Варианты оплаты:
Наличный и безналичный расчет (для физ. и юр. лиц), оплата картами, онлайн-оплата на сайте, ЕРИП.
Подробнее об оплате
Подробнее об оплате
Отзывы
Загрузка отзывов...
Добавить отзыв
Вам также может понравиться
Возможность оплаты частями
Доставим в любую точку Беларуси
Наличный и безналичный расчет
