Abber Стойка Stein AS1635 (белый)
Арт. 825.422
этажерка, напольная установка, ширина: 30 см
Все описание
Онлайн
Консультация Эксперта
- Помощь в выборе: Поможем сделать выбор под Ваш бюджет и задачи.
- Технический аудит: подробно расскажем о нюансах.
- Гарантия эксперта: мы не просто продаем, а несем ответственность за выбор и дальнейшую эксплуатацию.
23%
691,84 р.
896.33 р.
в кредит от 34.30 р. в мес.
Доставка: Минск завтра
Доставка РБ: 2 дня
Гарантия 12–24 месяца
Официальный сервис Мастердом
Онлайн
Консультация Эксперта
- Помощь в выборе: Поможем сделать выбор под Ваш бюджет и задачи.
- Технический аудит: подробно расскажем о нюансах.
- Гарантия эксперта: мы не просто продаем, а несем ответственность за выбор и дальнейшую эксплуатацию.
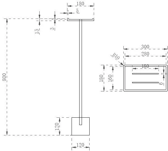
Стойка Stein AS1635 от Abber — это удобная этажерка в белом цвете, выполненная из искусственного камня, которая легко впишется в любой интерьер. Она устанавливается на пол и не занимает много места благодаря ширине 30 см и глубине 18 см. Высота мебели составляет 80 см, а вес — 7 кг, что делает её устойчивой и легко перемещаемой. Конструкция не имеет угловых элементов, что повышает безопасность и стиль. Эта полка отлично подойдет для хранения книг, декора или других предметов. Ее простая и современная форма подчеркнет удобство и функциональность. К сожалению, в этой модели отсутствует встроенная подсветка и угловая конструкция. Однако, стойка отлично выдержит нагрузку и не нуждается в дополнительной фиксации.
| Основные | |
| Тип | этажерка |
| Материал | искусственный камень |
| Установка | напольная |
| Ширина | 30 см |
| Цвет | белый, серебристый |
| Цвет производителя | белый |
| Конструкция | |
| Угловая конструкция | Нет |
| Встроенная подсветка | Нет |
| Размеры и вес | |
| Глубина | 18 см |
| Высота | 80 см |
| Вес | 7 кг |
Официальный импортер в РБ:
ООО «ДаблПро», г. Минск, ул. Маяковского, 24, пом.7.
Прямые поставки от производителя без посредников.
Прямые поставки от производителя без посредников.
Авторизованный сервисный центр:
г. Минск, ул. Маяковского, 24, пом.7 (собственная техническая база «Мастердом»).
Гарантийное и постгарантийное обслуживание любой сложности.
Подробнее о гарантии
Гарантийное и постгарантийное обслуживание любой сложности.
Подробнее о гарантии
Информация о доставке:
Бесплатная доставка по Минску (при заказе от 300 BYN). Оперативная доставка по всей Беларуси за 1–2 дня.
Подробнее о доставке
Подробнее о доставке
Варианты оплаты:
Наличный и безналичный расчет (для физ. и юр. лиц), оплата картами, онлайн-оплата на сайте, ЕРИП.
Подробнее об оплате
Подробнее об оплате
Отзывы
Загрузка отзывов...
Добавить отзыв
Вам также может понравиться
Возможность оплаты частями
Доставим в любую точку Беларуси
Наличный и безналичный расчет
